EN
首页 > 新闻动态 > 公司新闻

EMC测试设备-振铃波抗扰度发生器

概述

振铃波抗扰度发生器HRWS是专门模拟电网高能量振荡的测试设备,这种振铃波通常是电网中大负载接入和断开时诱发的。HRWS系列振铃波模拟器内置单相耦合去耦网络,最大电流16A,外置三相耦合去耦网络,最大电流200A。

HRWS系列主机自带7英寸的触摸屏微机程控,通过USB接口支持在线固件升级,用户也可以用PC实现远程控制(LAN通信)。


国产电磁兼容仪器设备


HRWS 正面图


产品特点:

7英寸触摸彩屏,简洁大方的UI,利于操作 

7.0kV/10.0kV最大输出电压 

峰值电压和峰值电流检测

单相16A&三相32/64/100/200A的CDN可选,全自动控制

外部扩展直流故障电源和电压变化测试模块EUT

高品质进口元器件,产品体积小&重量轻

可编辑单个的试验程序和多个程序的组合

波形:0.5µs/100kHz

阻抗:12 Ω & 30 Ω

数据线端口耦合去耦网络,满足IEC和ANSI标准

全兼容、认证级抗扰度测试系统


适用标准:

IEC/EN 61000-4-12

GB/T 17626.12 

ANSI/IEEE C37.90

ANSI/IEEE C62.41


技术参数:


国产电磁兼容仪器设备


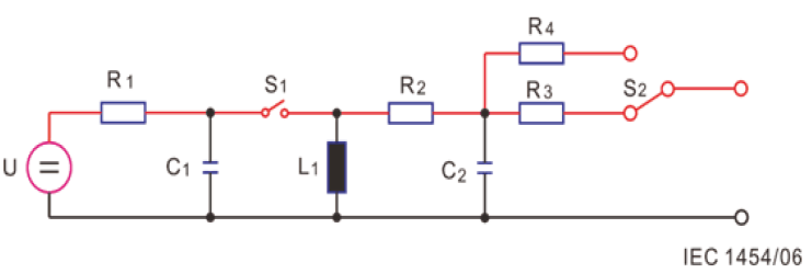
振铃波发生器原理图:


国产电磁兼容仪器设备


国产电磁兼容仪器设备



软件运行界面:


国产电磁兼容仪器设备


选型及配件:


国产电磁兼容仪器设备













Copyright © 深圳市AGGAME仪器有限公司 备案号:粤ICP备48123086号 百度统计 站点地图
技术支持:神州通达网络
首页
电话
留言
AGGAME
网站地图