
针对当前严峻的电磁环境,从原理图设计、PCB设计、元器件选型、系统布线、系统接地等方面逐步分析了电磁干扰的来源,总结了电磁兼容设计的要点。
目前,日益恶化的电磁环境使我们逐渐关注设备的工作环境和电磁环境对电子设备的影响,从设计开始,整合电磁兼容设计,使电子设备工作更加可靠。
电磁兼容性设计主要包括浪涌(冲击)抗扰性、振铃波浪涌抗扰性、电快速瞬变脉冲群抗扰性、电压暂降、短时中断和电压变化抗扰性、工频电源谐波抗扰性、静电抗扰性、射频电磁场辐射抗扰性、工频磁场抗扰性、脉冲磁场抗扰性、传导骚扰、辐射骚扰、射频场感应传导抗扰性等。
主要形式的电磁干扰:
电磁干扰主要通过传导和辐射进入系统,影响系统工作,其他方法包括共阻抗耦合和感应耦合。
传导:传导耦合是指通过导电媒体将一个电网上的骚扰耦合到另一个电网上,这是一个较低部分(低于30mHz)。传导耦合通常包括电源线、信号线、互连线、接地导体等。
辐射:通过空间将一个电网上的骚扰耦合到另一个电网上,这是一个更频繁的部分(超过30MHz)。辐射通过空间传输,引入和产生的辐射干扰主要是由各种导线形成的天线效应。
共阻抗耦合:当两个以上不同电路的电流通过公共阻抗时,它们会相互干扰。通过这种方式在电源线和接地导体上的骚扰电流引入敏感电路。
感应耦合:通过互感原理,将电信号传输到一个电路中,感应到另一个电路对其造成干扰。分为电感应和磁感应。
对于这些方式的干扰,我们应该采取相应的对策:过滤器(如我们设计的每个IC的标题电容器),减少天线效应(如接近地线的信号)。屏蔽和接地等措施可以大大提高产品抵抗电磁干扰的能力,也可以有效地减少外部电磁干扰。
电磁兼容设计:
对于新项目的研发设计过程,电磁兼容设计需要贯穿整个过程。考虑到设计中的电磁兼容设计,不会返工,避免重复研发,可以缩短整个产品的上市时间,提高企业的效率。
一个项目需要通过需求分析,从研发到投放市场。项目审批。项目总结设计。项目详细设计。样品试验。功能测试。电磁兼容性测试。项目生产。投放市场等阶段。
在需求分析阶段,应进行产品市场分析。现场研究,挖掘项目有用信息,整合项目发展前景,详细整理项目产品工作环境,现场调查安装位置,安装空间是否有限,工作环境是否特殊,是否有腐蚀。湿度。高温等,周围设备的工作,是否有恶劣的电磁环境,是否有限等设备,产品开发的成功是否能大大提高生产效率,或者是否能给人们的生活或工作环境带来极大的便利,操作和使用是否容易被人们接受,这就要求项目产品满足现场功能的需要。操作方便,最后整理详细的需求分析报告,供需求评估。
经企业内部相关负责人审核后,完善需求分析报告,然后进行项目审批。项目审批需要成立项目组,将软件、硬件、结构、测试等人员安排到项目组,分配各自的职责。项目开发的下一阶段是项目总体设计,将项目分解成多个功能模块,利用WBS分解结构细化项目功能分解,根据工作量安排时间,安排具体人员。整理项目总体设计报告,对项目进行总体评价,确定电源类型、电源分布、电源隔离滤波模式、系统接地模式、产品屏蔽、产品结构屏蔽设计、屏蔽底盘外壳、信号类型分析、雷电、静电、群脉冲等干扰。
产品概要设计报告出来后,应由相关人员进行评审,分析实施方法是否合理,实施方案是否可行。评审人员应提供评审报告。项目组结合评审报告修改概要设计后,进入产品详细设计阶段。本阶段的内容包括原理图设计。PCB设计。PCB采购和焊接。软件编写。功能调试,原理图设计应考虑电磁兼容性的影响,增加板电源的滤波电容,增加信号接口部分的滤波电路,根据信号类型选择合适的滤波电路。如果信号为低频型号,应选择低通滤波电路,计算适当的截止频率,并选择相应的电阻。电容器等。此外,接口部分设计了大电流泄漏电路和防雷装置,以实现第三级防雷。
一、组件选型:
我们常用的电子设备主要包括有源设备和无源设备。有源设备主要指IC和模块电路,无源设备主要指电阻、电容、电感等元件。以下是这两种组件的选择。介绍电磁兼容性中应考虑的问题。
EMC选型有源器件。
工作电压宽的EMC具有良好的特性,工作电压低的EMC具有良好的特性,在设计允许的范围内延迟较大(通常速度较慢),静态电流较小,功耗较小,贴片包装设备的EMC性能优于插件设备。
无源设备选型。
在我们的应用中,无源设备通常包括电阻、电容、电感等,对于无源设备的选择,要注意这些元件的频率特性和分布参数。
无源设备在某些频率下会表现出不同的特性。有些电阻在高频时具有电感特性,如线绕电阻、电解电容低频特性好、高频特性差、膜电容和瓷电容高频特性好,但容量通常较小。考虑到温度对部件的影响,根据设计原理选择各种温度特性的部件。
二、印刷板设计:
印刷板设计时,应考虑干扰对系统的影响,严格分离电路模拟部分和数字部分的电路,重点保护核心电路,包围系统接地线,布线尽可能粗,电源增加滤波电路,采用DC-DC隔离,信号采用光电隔离,设计隔离电源,分析容易干扰的部分(如时钟电路、通信电路等)和容易干扰的部分(如模拟采样电路等)。对干扰元件采取抑制措施,对敏感元件采取隔离和保护措施,并在空间和电气上拉开距离。在板级设计中,还应注意远离印刷板边缘的元件放置,有利于保护空气放电。
采样电路原理图设计见图1:
图1.采样电路设计
电路的合理布局可以减少干扰,提高电磁兼容性。根据电路的功能,分析各模块的干扰源和敏感信号,进行特殊处理。
印刷板布线时,应注意以下几个方面:
1.保持环路面积最小,如电源与地面之间形成的环路,减少环路面积,减少电磁干扰在电路上的感应电流,电源线尽可能靠近地线,减少模具差辐射的环路面积,减少干扰对系统的影响,提高系统的抗干扰性能。并联导线紧密放置在一起,用粗导线连接,信号线靠近地平面布线可以减少干扰。在电源和地面之间增加高频滤波器电容器。
2.尽量缩短导线长度,减少印刷板面积,减少导线干扰。
3.采用完整的地平面设计,采用多层板设计,铺设地层,方便干扰信号泄漏。
4.远离机箱面板、把手、螺钉等可能放电的电子元件,保持外壳与地面的良好接触,为干扰提供良好的排放通道。处理敏感信号,减少干扰。
5.尽量使用贴片组件,贴片组件的电磁兼容性比直接插件要好得多。
6.在PCB与外界的连接处模拟和数字接地。
7.高速逻辑电路应靠近连接器边缘,低速逻辑电路和存储器应布置在远离连接器的地方,中速逻辑电路应布置在高速逻辑电路和低速逻辑电路之间。
8.电路板上的印刷线宽度不得突变,拐角应为弧形,不得为直角或尖角。
9.时钟线.信号线尽量靠近地线,线路不宜过长,以减少回路的环面积。
三、系统布线设计
印制板设计出来后,进行试制,焊接调试,系统装机,考虑电磁兼容设计因素,机柜结构、线缆设计需要注意以下几个方面:
1、机柜选用电磁屏蔽柜,具有良好的屏蔽性能,很好地对系统进行屏蔽,降低外界电磁干扰对系统的影响。
2、总电源进线选用屏蔽电源线,并加磁环,屏蔽层在进入机柜处360度接地。
3、对系统外部信号线选用屏蔽线,屏蔽层机柜入口处良好接地。
4、设备外壳就近接机柜,避免交叉。
5、系统设置隔离变压器和ups,保证系统供应纯净电源。
6、严格将电源线和信号线分开,设备外壳的各个面之间和各个板子面板之间要良好接触,接触电阻要小于0.4欧,越小越好,保证设备外壳良好接大地,这样在有静电释放时,不会影响到系统的正常工作。
四、系统接地设计
接地是最有效的抑制骚扰源的方法,可解决50%的EMC问题。系统基准地与大地相连,可抑制电磁骚扰。外壳金属件直接接大地,还可以提供静电电荷的泄漏通路,防止静电积累。
1、地线的概念
安全接地包括保护接地和防雷接地。
保护接地为产品的故障电流进入大地提供一个低阻抗通道;
防雷接地提供泄放大电流的通路;
参考接地为产品稳定可靠工作提供参考电平,为电源和信号提供基准电位。
安全接地是为了当出现一些电气异常时,为大电流和高电压提供一个泄放的回路,主要是对电路的一种保护措施。参考地主要是信号地和电源地,是保证电路实现功能的基础。
2、接地方式
悬浮接地对一个独立的与外部没有接口的系统来说一般也没有什么问题,但是如果该系统与其他的系统之间存着接口如通讯口和采样线,那么悬浮接地很容易受到静电和雷击的影响,所以一般电子产品大多不采用悬浮接地。
单点接地当f《1MHz时可以选择单点接地,可分为并联单点接地和多级电路串联单点接地两种。
并联单点接地:每个电路模块都接到一个单点地上,每个单元在同一点与参考点相连。
多级电路的串联单点接地:将具有类似特性的电路的地连接在一起,形成一个公共点,然后将每一个公共点连接到单点地。
多点接地当f》10MHz时会采用多点接地。设备中的电路都就近以接地母线为参考点。
单点接地各电路接在同一点,提供公共电位参考点,没有共阻抗耦合和低频地环路,但对高频信号存在较大的地阻抗。多点接地为就近接地,每条地线可以很短,提供较低接地阻抗。1MHz~10MHz可根据实际需要选用哪种接地方法。
混合接地是综合单点接地与多点接地的优点,对系统中的低频部分采用单点接地,对系统中高频部分采用多点接地。
信号线屏蔽接地有高频和低频之分,高频采用多点接地,低频电缆采用单点接地。低频电场屏蔽要求在接收端单点接地,低频磁场屏蔽要求在两端接地。多点接地,除在两端接地外,并以3/20或1/10工作波长的间隔接地。
系统做到良好接地,才能有效的抑制电磁干扰,一个大的系统机柜首先要保证每个面接触良好,接触紧凑,其次是机柜内部设备要就近接地,避免二次干扰,就近泄放电磁干扰。接口屏蔽线要进行环接,再就近接机架。机柜下方设置接地铜排,系统总地线选用铜带比较好,对电磁干扰进行很好的泄放,保证了系统的正常运行。
电磁兼容测试
系统功能测试,满足现场功能需要后,进行电磁兼容测试,电磁兼容测试容易出问题是静电、群脉冲、浪涌、射频场传导等
参与了几个项目的静电抗扰度检测,对静电有一定认识。静电分为接触放电和空气放电,静电是积累的高压,当接触到设备的金属外壳时会瞬间放电,会影响到电子设备的正常工作,可能引起设备故障或重启,在安全性要求较好的场合这是不允许的。
静电会影响显示效果,可能出现显示闪烁或黑屏,影响正常显示和操作。静电还可能引起CPU工作异常,程序死机或重启。
如果在产品详细设计阶段采用电磁兼容的相关设计,做静电试验不必过分担心,通过设计,对静电积累的电荷进行良好的泄放,不会影响系统的正常工作。
电快速瞬变脉冲群是一系列的高频高压瞬变脉冲施加在设备上,观察设备是否受到其影响。防护群脉冲主要的方法是“疏导”“堵”,“疏导”就是提供泄放回路,是干扰在进入系统之前,泄放至大地,良好的屏蔽层接地,可以泄放大部分动干扰,“堵”是使群脉冲滤除在设备之外,增加磁环,效果明显,封闭磁环的效果好于对扣磁环,也可以将磁环加入到板级中,固定在印制板中,这样使设备更可靠。
对电源线、信号线、通讯线两端增加磁环,可以对群脉冲干扰进行防护。
雷击浪涌主要包含两个方面,一个是电源防雷,一个是信号防雷。
电源防雷主要是针对系统级而言的,系统级设计要按照三级防雷设计,总电源进入端设置电源防雷(如OBO公司的V20-C/3-PH385),可以对系统的电源进行一级防护,电源经过电源防雷后,进入隔离变压器,隔离变压器可以对电磁干扰信号进行较好的防护,抑制其对系统的影响。后进入UPS,UPS可以滤除一部分干扰信号,这样电源再进入系统设备,电源是一种纯净的电源,可以使系统更好、更可靠的工作。
信号防雷是对系统的信号通路进行防护,主要涉及的是板级设计,在板级设计中增加防雷器件,如气体放电管,增加TVS泄放回路,当有大电流时通过配套电阻和TVS、气体放电管泄放,对后级电路起到保护作用。而后信号进行光电隔离,再进入系统,系统可以采集到一个稳定的信号,使系统正常分析判断,正常发出指令,正常工作。另一方面就是设计较宽的信号范围,信号正常波动时,系统正常工作。
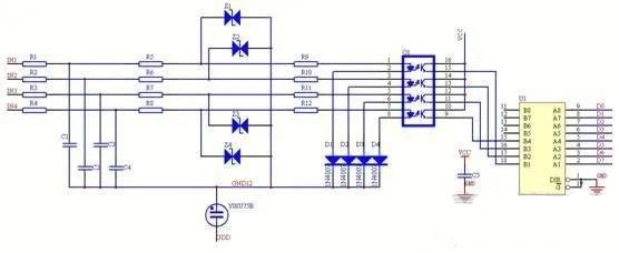
图2.系统电源部分设计示例
射感试验可能会对显示信号、采集驱动等造成影响,可能使显示闪烁或黑屏,影响设备操作,可能使采集驱动工作异常,采集不到需要的信号,无法驱动现场设备。
射频试验是0.15k~80M频率范围内对信号线、电源进行干扰,3级强度是10V/m。
射感防护的原则是将电源、信号线的屏蔽做好,屏蔽层良好接地,选择合适频率进行滤波,将干扰滤除。
该测试主要是测试系统的抗射频信号及整体屏蔽性能,只要系统做好良好的屏蔽,系统地线接地良好,系统就可以通过检测。
通过相关电磁兼容测试,产品就可以推向市场,进行试运行了,对试运行中出现的问题,进行汇总,以备产品的改进。
电子产品满足相关的电磁兼容测试标准,通过测试,才可以推向市场,用户才能放心使用,极大地减小因电磁干扰发生的事故,对企业的效益、产品的推广起到积极的作用。