
一.序言
随着开关电源的体积越来越小.功率特别大,EMI测试操作问题成为开关电源可靠性的关键因素。EMI过滤技术.屏蔽技术.密封技术和接地技术可以有效抑制.清除干扰源和受扰设备之间的耦合和辐射,断开干扰信号的传播途径,从而提高开关电源的电磁兼容性。
开关电源是一种功率半导体器件和电力转换技术.电子电磁技术.电力和电子设备,如自动控制技术。开关电源瞬态响应较弱.易产生干扰信号(EMI),且EMI测试信号具有广泛的频率范围和一定的强度。EMI信号通过传导和辐射方式污染电磁环境,影响通信设备和仪因此开关电源的应用受到一定程度的限制。
二.干扰信号的原因
干扰信号(EMI,Electromagneticlnterference)它是一种电子系统或子系统受到意外电磁振荡的性能危害。它由三个基本前提组成:干扰源,即干扰信号能量的设备;莲花模式,即传输干扰信号的通道或媒体;受干扰信号损坏的敏感设备.设备.子系统或系统。有鉴于此,控制干扰信号的基本对策是:抑制干扰源.断开耦合模式,减少敏感设备对电磁敏感度电平的影响。
根据开关电源的工作原理:开关电源首先将工作频率交流整流为直流,然后逆变为高频交流,最后通过整流滤波输出,获得稳定的交流电压。在电路中,电源三极管.二极管的主要工作是开关管,工作是微秒量级,三极管.二极管在开闭旋转环节中升起.电流在下降时间内变化很大.容易产生射频能量,产生干扰源。同时,由于变压器的泄漏和二极管反向恢复电流引起的峰值,也会形成隐性干扰信号。
开关电源通常在高频情况下工作,因此其分布电容不容忽视。一方面,由于其接触面积大、绝缘薄,散热器与开关管的绝缘片之间的绝缘片在高频时不容忽视。高频电流通过分布电容流入散热器,然后流入外壳,造成共模干扰;另一方面,脉冲变压器的初级中间存在分布电容,可以直接将初级绕组电阻电压耦合到次级绕组上,导致次级绕组上的共模干扰。
因此,开关电源中的干扰源主要在于电压.电流变化很大,比如开关管.二极管.高频变压器等元件及其交流键入.整流导出电路部分。
三.抑制开关电源干扰信号的措施
一般开关电源EMI过滤技术通常用于操纵操作.屏蔽技术.密封技术.接地技术等。EMI根据传播途径,影响分为传导干扰和辐射干扰。开关电源通常是传导干扰,频率范围最约10kHz一30MHz。抑制传导干扰的对策大多是10kHz一150kHz.150kHz一10MHz.10MHz以上三个频段来解决。
①10kHz一150kHz范围内的关键是正常影响,一般采用通用LC解决过滤器。
②150kHz一10MHz共模抑制过滤器通常用于解决范围内的共模干扰。
③10MHz上述频段的对策是改善过滤器的外观,并采用电磁屏蔽对策。
1.选择交流键入EMI过滤器
一般来说,在导线上传输影响电流有两种方式:共模法和差模法。共模干扰是负载液体与地面之间的影响,其影响大小和方向有任何相对于地面的电源.或者中线到地面之间,一般是由du/dt产生的,di/dt也会产生一定的共模干扰。
差模干扰是负载液体之间的影响:相同尺寸的影响.相反,电源相线与中线、相线和相线之间存在中间位置。影响电流不仅可以通过共模模式传输,还可以通过差模式传输。然而,只有当共模干扰电流变为差模干扰电流时,才能影响有用的信号。
交流输入网络存在以上两种影响,一般为低频段差模干扰和高频段共模干扰。一般来说,差模干扰强度小.频率低.影响小;共模干扰范围大;.高频率,还可以通过导线产生辐射,造成较大的影响。如果选择适度的交流电输入端EMI过滤器可以有效地抑制干扰信号。电源线EMI过滤器的基本概念如图1所示,其中差模电容C1.C2用于短路差模干扰电流,中间连接接地电容C3.C4用于短路共模干扰电流。共模扼流圈由双股等粗线圈组成,线圈在一个磁芯中按同一方向缠绕。如果两个线圈之间的磁耦合非常紧密,那么泄漏感就不会很大,电源线频率范围内的差模电抗将变得非常小。当负载电流通过共模扼流圈时,串联在相线上的线圈形成的磁感应线与串联在中线上的线圈形成的磁力线方向相反,在磁芯中相互抵消。因此,即使在大负载电流的情况下,磁芯也不会饱和。但是对于共模干扰电流,两个线圈产生的磁场是同向的,会出现较大的电感,从而产生共模干扰信号的损耗。在这里,共模扼流圈采用高导磁率.铁氧体永磁材料具有良好的频率特性。
图1.电源线过滤器基本电路图
2.使用吸收电路改进开关波型
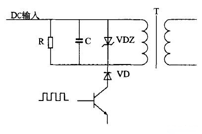
开关管或二极管在开关环节,由于变压器泄漏和路线电感,二极管存储电容和分布电容,易于开关管集电极.发射极和二极管两侧的峰值电压。一般来说,选择RC/RCD吸收回路,RCD图2所示的浪涌电压吸收回路。
图2.RCD浪涌电压吸收回路
当吸收回路上的电压超过一定强度时,每个装置都会迅速断开,从而释放浪涌能量,同时将浪涌电压限制在一定强度。饱和磁芯线圈或微晶磁珠串联在开关管集电极和导出二极管的正导线上,材料一般为钴(Co),当磁芯根据正常电流饱和时,电感不大。一旦电流反向通过,就会产生很大的反向电势,可以有效抑制二极管VD反向浪涌电流。
3.使用开关频率调制技术
频率控制系统基于开关,主要影响特定次数的能量,具有较大的频带峰值。如果这些动能能够分散在较宽的频带上,则可以达到降低扰频带峰值的效果。一般来说,有两种处理方法:任意频率法和调制频率法。
①任意频率法
在电路开关间距中添加一个任意振荡部件,以在一定范围内分散开关的影响动能。研究发现,开关影响频带已从原来的离散峰值脉冲干扰转变为连续分布影响,峰值大大降低。
②调制频率法
在锯齿波中加入调制波(白噪声),在受影响的离散频段周围产生边缘频段,将受影响的离散频段分配成一个无处不在的频段。这样,影响动能就会分散到这些无处不在的频带上。这种控制措施可以很好地抑制开启,而不影响转换器的工作特性.关闭后的影响。
4.选择软开关技术
开关电源的影响之一是功率开关管通/断时du/dt,因此,降低功率开关管通/断du/dt这是抑制开关电源影响的重要对策。软开关技术可以减少开关管/断开的数量du/dt。
如果在开关电路的前提下添加一个小电感.电容器和其他谐振元件构成一个辅助网络。开关过程前后引入谐振过程,使开关开启前的电压降至零,从而清除开的电压.减少电流重合的情况.甚至清除开关的损耗和影响,这种电路被称为软开关电路。
根据上述原则,可以采用两种方法,在开关关闭前使电流为零,开关关闭时不会造成损失和影响。这种关闭方法称为零电流关闭;或者在开关打开前使电压为零,开关打开时不会造成损失和影响。这种开启方式称为零电压开启。在许多情况下,不再强调打开或关闭,只称为零电流开关和零电压开关。基本电路如图3和图4所示。
图4.零电流开关谐振电路
图5.零电流开关谐振电路
一般采用软开关电路控制系统,合理的元件布局和印刷电路板布局.接地技术,开关电源EMI具有一定的改善效果。
5.选择电磁屏蔽对策
电磁屏蔽对策一般可有效抑制开关电源的电磁辐射影响。开关电源的屏蔽对策主要用于开关管和高频变压器。
①针对开关管
开关管工作时产生大量热量,需要安装散热器,使开关管的集电极与散热器之间产生较大的分布电容。因此,在开关管的集电极与散热器之间放置绝缘屏蔽金属层,散热器与外壳连接,金属层接收热端零电位,减少集电极与散热器之间的连接电容,减少散热器造成的辐射干扰。
②高频变压器
对于高频变压器,首先要根据导磁屏蔽特性选择导磁结构,如罐式铁芯和El型铁芯,导磁体屏蔽效果好。当变压器增加屏蔽时,屏蔽盒不应靠近变电器外部,并应留下一定的磁密度。如果选择带有磁密度的双层屏蔽,屏蔽效果更好。此外,在高频变压器中,必须经常清除初始.二次线圈之间的分布电容器可以沿着线圈的长度在线圈之间垫上铜泊,以减少两者之间的灾难。该引路带环不仅与变压器的铁芯连接,还与电源的地面连接,起到静电屏蔽的作用。如果条件允许,在整个开关电源上安装屏蔽罩,会更好地抑制辐射干扰。
四.结语
随着开关电源的容积越来越小.功率特别大,EMI测试问题已成为开关电源可靠性的关键要素。根据上述分析,选择了EMI过滤技术.屏蔽技术.密封技术和接地技术能有效抑制.清除干扰源与受干扰设备之间的祸合和辐射,切断干扰信号的传播途径,提高开关电源的电磁兼容性。