
1.引言
集成电路相关技术作为最具发展前景的技术,已成为世界上最具发展前景的高科技技术。目前,国家高度重视集成电路的芯片研发领域,特别是集成电路的芯片研发领域。
近年来,我国越来越多的科研机构、高校、IC企业研发部门逐步关注和从事集成电路的电磁兼容性(IC EMC)研究。目前关于IC EMC国外相关研究起步较早,发展迅速,形成了相对完善的理论体系和欧洲法国、德国、美国、韩国、日本、新加坡等先进的测试研究设备。国内相关IC EMC目前,研究集中在国防科技大学、浙江大学、解放军信息工程大学、中国科学院微电子研究所等高校,近年来取得了重要成果。
2.电磁敏感度
电磁兼容分为电磁干扰(EMI)和电磁敏感度(EMS)。简单的说,EMI指影响其他设备正常工作的电磁辐射,EMS指设备抵抗外界电磁辐射干扰的能力。目前,电磁敏感性测试分为传导、辐射、静电放电、快速脉冲群、浪涌等多个项目。本文介绍了两种测试方法。
3.电磁敏感度测试方法
3.1 传导抗扰度
传导抗扰性试验主要分为直接功率注入法和大电流注入法。这里介绍了直接功率注入法。直接功率注入法通过干扰源产生干扰脉冲,通过功率放大器、定向耦合器注入网络,然后注入测试设备。设备的功能状态通过故障判断来确定注入电压的大小。测试框图如图1所示,图2为实际设备的配置,具体配置参考IEC62132。
图1.测试框图
图2.测试设备
在测试过程中,要注意尽量按照测试标准进行测试,此外,相关测试板的设计要充分考虑接地设置。
3.2 静电放电
静电放电试验是设备抗扰性试验的重要工程。目前,静电放电试验是设备抗扰性试验的重要工程。ESD我国研究起步较早,取得了良好的研究成果。ESD相关测试设备太贵,一般小型研究机构不能从事进一步研究,其研究成果主要集中在测试设备齐全的大型研究机构。
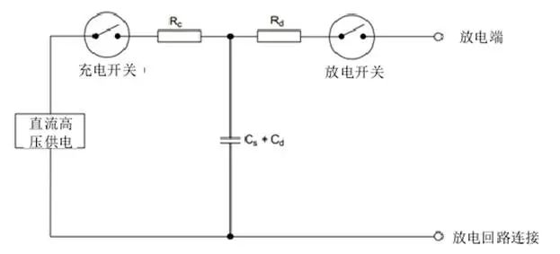
目前国际上有关系ESD测试的一般标准IEC61000,规定了ESD脉冲的幅和上升时间如图3所示,图4为标准ESD发生器模型。
图3.ESD脉冲波形
图4.ESD发生器模型
ESD测试方法简单,只需将测试探头压在测试引脚上,注入脉冲波形即可。在测试过程中,测试人员应全程佩戴接地手镯,防止人体静电干扰。